上海全自动四轴机器人供应商家「上海珂珩供应」 -6688体育平台网页入口
初次校正四轴机器人不带负荷,校正过程将存储用于每根轴的检测。1、工具学习(偏置学习),机器人带负荷,用于初次校正的检测偏移量将针对这个负荷得出并且存储。2、检查运行(负荷校正),检查安装在机器人上的工具的校正情况,该工具已经被学习过,可以利用该存储的检测偏移量折算成初次校正,并且计算和显示出同当前校正之间的区别。3、工具学习,机器人在初次校正后装上重工具或者携带重工件,为了使机器人能够补偿该偏差,必须学习相应的工具重量。用于初次校正的检测偏移量将针对这个负荷得出并且存储。4、软键学习,将选定待校正的轴,该轴上有颜色标记。按住许可键和程序向前键,选定的机器人轴将在程序控制下由,“ ”朝“-“运动。如果成功将显示一个偏差窗口,按数据ok,数值被接受。(但该轴不会从状态窗消失)。5、检查运行,(负荷校正-带偏置),利用这个功能可以检查并且在必要时重建机器人旧的初次校正参数,而不必拆下工具,机器人将在带工具的情况下被校正。如果工具被学习过,那么初次校正的参数将根据得到的偏差被重新计算,并且得到操作者同意情况下被覆盖。例如更换电机机器人零点丢失,但技术参数还在的情况下可以使用。四轴机器人可以通过搭载机械臂实现物品抓取和搬运任务。上海全自动四轴机器人供应商家

更多内容请点击上方abb机器人实战技巧关注也可点击公众号下方往期经典浏览更多内容转载请先后台留言,大家一起支持原创,推动机器人使用和发展本公众号对各类abb机器人应用,仿真,毕业设计提供6688体育平台网页入口的技术支持,详细后台留言本公众号诚挚希望与各机器人培训机构,机器人使用单元合作,提供6688体育平台网页入口的技术支持,详细后台留言1.机器人移动时,是否可以实时显示机器人移动过的距离?2.比如上图,终机器人走过了3.可以利用定时中断itimer,定时触发中断,中断里读取当前位置,下一次再中断时,读取新的当前位置,计算新的当前位置和之前当前位置的距离,距离再累加即可。4.代码如下5.运行后,就会实时显示机器人移动距离********************************如何获取更多经典文章?关注公众号abb机器人实战技巧,点击页面底部的往期经典和配置,查看更多经典内容点击阅读原文,学习robotstudio仿真。四轴机器人的飞行速度和载荷能力可以根据需求进行调整。

相比六轴机器人额外的轴允许机器人躲避某些特定的目标,便于末端执行器到达特定的位置,可以更加灵活的适应某些特殊工作环境。随着轴数的增加,机器人的灵活性也随之增长。但是,在目前的工业应用中,用得多的是三轴、四轴和六轴的工业机器人,这是因为,在某些应用中,并不需要很高的灵活性,而三轴和四轴机器人具有更高的成本效益,并且三轴和四轴机器人在速度上也具有很大的优势。未来,在需要高灵活性的3c产业,七轴工业机器人将拥有用武之地,随着其精度不断增加,在不远的将来,它将取代人工进行装配手机等精密电子产品。七轴工业机器人比六轴工业机器人强在哪?从技术上来看,六轴工业机器人存在什么问题,七轴工业机器人又强在哪?(1)改善运动学特性在机器人的运动学问题中,三个问题使得机器人的运动受到非常大的限制。是奇异构型。当机器人处于奇异构型时,它的末端执行器不能绕某个方向进行运动,或者施加力矩,因而奇异构型极大的影响了运动规划。六轴机器人第六轴和第四轴共线发生奇异第二是关节位移超限。在真实工作情况下,机器人每个关节的运动的角度范围是受到限制的,理想的状态是正负180度,但是很多关节是做不到的。另外。
工厂决定上机器人自动化设备,常见的出发点或原则:一效益优先,兼顾效率。上机器人自动化设备,我们的经济账应该是按天算,算综合效益。而不是按秒算,按分算,按小时算,计较单位成本,计较局部利益。人工一天多14个小时,一周多工作6天,而机器人7*24小时工作制干。多出来的10个小时,机器人产量自然就上来了。机器人替代人工,速度快/效率高只是一部分,不是全部。二安全优先,兼顾成本。上机器人自动化设备,一部分驱动力来自于减少甚至杜绝工伤事故,减少不必要的安全开支。一个简单的工伤事故,10万8万元还不一定能够打发过去。更何况,严重的伤残/死亡事故,直接赔付加后期的善后及公关,百八十万都可能耗费。三合适优先,兼顾功能。适合自己的工艺流程,符合贵厂的实践情况的,才是比较好的选择。功能不是越多越好,不是越先进越好,很多功能可能就用不上。比方说,我们大家使用的手机,使用的要求很简单,内存大点,响应快点,打打电话,发发微信,看看视频。四轴机器人的应用还包括电力线路巡检和电缆故障检测等任务。

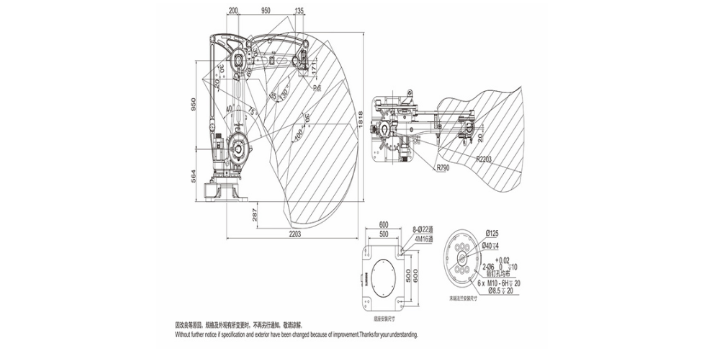
工业机器人目前应用的范围越来越,在制造行业中,有许多种不同用途的工业机器人参与生产,为企业带来了更多的效益和便捷,在工业生产中**常见的就是四轴工业机器人和六轴工业机器人。轴与卡迪尔坐标工业机器人的轴,可以用专业的名词“自由度”来解释。合理推测就是,当机器人的轴数增加,机器人就有更高的灵活性。四轴scara机器人(以下简称四轴机器人)和六轴关节式机器人(以下简称六轴机器人),其中四轴机器人是特别为高速取放作业而设计的,而六轴机器人则提供了更高的生产运动灵活性。轴与卡迪尔坐标系息息相关。三轴机器人也被称为直角坐标或者笛卡尔机器人,它的三个轴可以允许机器人沿三个轴的方向进行运动;而六轴机器人中的六轴,就是笛卡尔坐标系中的xyz轴,及绕xyz轴旋转的uvw轴。四轴机器人的飞行速度和操控性使其成为极限运动爱好者的玩具。深圳小型四轴机器人
四轴机器人的飞行控制系统可以通过gps定位和惯性导航进行精确控制。上海全自动四轴机器人供应商家
想要了解工业四轴机器人,那其中的这两点的技术原理需要了解下。1、模块化层次化的控制器软件系统:软件系统建立在基于开源的实时多任务操作系统linux上,采用分层和模块化结构设计,以实现软件系统的开放性,整个控制器软件系统分为三个层次:硬件驱动层、重要层和应用层。三个层次分别面对不同的功能需求,对应不同层次的开发,系统中各个层次内部由若干个功能相对对立的模块组成,这些功能模块相互协作共同实现该层次所提供的功能;2、网络化机器人控制器技术:当前机器人的应用工程由单台机器人工作站向机器人生产线发展,机器人控制器的联网技术变得越来越重要,控制器上具有串口、现场总线及以太网的联网功能,可用于机器人控制器之间和机器人控制器同上位机的通讯,便于对机器人生产线进行监控、诊断和管理。上海全自动四轴机器人供应商家
上一篇:
下一篇: